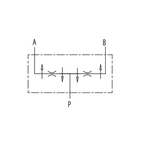
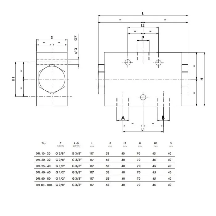
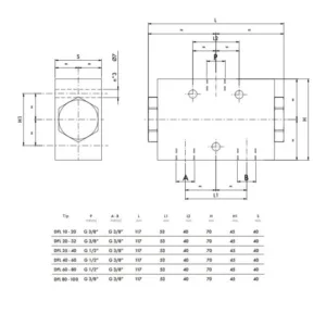
3/8″ – Raspodeljivač protoka je ventil koji omoguæava podelju ulaznog protoka na dva jednaka dela (50/50) i objedinjuju ga u obrtnom smeru nezavisno od promena pritiska i protoka. Ovi ventili se koriste kada dva jednaka pogona, koja nisu mehanički spojena, napajaju istom pumpom i kojima upravlja jedan distributer, moraju da se istovremeno kreæu i na ulazu i na izlazu.









